logo-sg02
Parts list for Picanol Rapier Loom - 
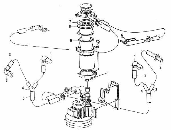
GTM, GTM-A, AS, GTX, Gamma. J-1

Ref.

PARTS  NO.

DESCRIPTION

REMARKS

1
2
3
4
5
6
7
8
9

J01001
J01002
J01003
J01004
J01005
J01006
J01007
J01008
J01009

Nozzle Top
Nozzle Lower
Hose
Connecting piese
Hose
Suction nozzle
Gasket
Filter
Filter

BE81716
BE81717
I160
B87663
I166
B88417
B87652
B87297
B87293

ALL PARTS DETAILS

A. GRIPPER: 
A-1(LHS Gripper)   A-2(RHS Gripper)   A-3(LHS Gripper)   A-4(RHS Gripper)
B. LENO:  
B-1(Leno)   B-2(GTM Leno)   B-3(Leno)   B-4(Leno)   B-5(Leno)
C. BOBBIN HOLDER:   
C-1(Bobbin holder)   C-2(Guider)   C-3(Guider)
D. SELVEDGE AND HARNESS ROD:  
D-1(Selvedge Motion)   D-2(Selvedge Motion)
                                                            
D-3(Dobhy Lever)   D-4(Harness Guide)
E. CUTTER:  
E-1(Weft Cutter)   E-2(Weft Cutter)   E-3(Waste Cutter)
F. GRIPPER GUIDE:   
F-1(Ropier Guide)   F-2(Sley Beam)
G. HOUSING:   
G-1(Housing, Take-up)   G-2(Housing, Take-up)   G-3(Housing, Leno)
                          
G-4(Housing, Gripper)   G-5(Housing, Sley)
H. SAND ROLLER:   
H-1(Sand Roller)
I. WEFT SELECTOR:   
I-1(Weft Selector)   I-2(Weft Selector)
J. SUCTION DEVICE:  
J-1(Suction Device)
K. CLUTCH:  
K-1(Main Clutch)   K-2(Pulley)
L. OTHERS:  
L-1(Others)